Rätselhafte Ediacara-Organismen: „Luftmatratzen“-Hypothese bestätigt?
Aus dem jüngsten Präkambrium praktisch aller Erdteile kennt man inzwischen die sog. Ediacara-Lebewelt. Sie wurde nach den gleichnamigen Hügeln in Südaustralien benannt und unterscheidet sich von den späteren Formen der Lebewesen ab dem Kambrium. Im Interpretationsgebäude der Evolutionslehre war es gleichwohl naheliegend, unter ihnen Vorfahren der späteren Lebewesen zu suchen.

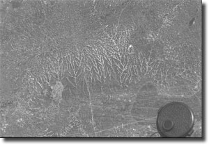
Abb.1: Bäumchenartig verzweigte Ediacara-Organismen aus der Dengying-Formation von Südchina. (Aus Xiao et al. 2005, Abdruck mit freundlicher Genehmigung)
Eine völlig andere Deutung der Ediacara-Lebewesen hat der Spurenspezialist A. Seilacher (z.B. 1988; 1992) entwickelt. Er nennt sie „Vendobionten“ (nach der jüngstpräkambrischen Vendium-Stufe) und sieht in ihnen keine Vorläufer späterer Tierstämme, die ab dem Kambrium plötzlich in den Sedimenten auftreten (Stichwort „kambrische Explosion“; dazu zuletzt in diesem Journal Junker 2005). Vielmehr handle es sich um unabhängige, frühe Lebensformen, bevor im Kambrium Räuber auftraten (die sich aus wurm- bzw. schneckenartigen präkambrischen Vorfahren entwickelt hätten). „Die kambrische Explosion beendete diesen friedlichen ‚Garten von Ediacara’ und es begann das vielschichtige System des Fressens und Gefressenwerdens“ (Seilacher 2003, 79). Die Vendobionten sind nach Seilacher spezialisierte, große (z.T. mehr als 25 cm lang), einzellige, aber vielkernige Mikrobenhüllen, die wie „Pneus“ mit Zytoplasma gefüllt waren; sie stellten gewissermaßen „lebende Luftmatratzen“ dar und besitzen keine inneren Organe. Ihre Körperhülle war in sehr verschiedenartiger Weise mit Lamellen „abgesteppt“ und bildete so ein „hydraulisches Skelett“. Im und auf dem Sandboden bewegter Flachmeere waren sie durch Mikrobenfilme „festgeklebt“ und mit ihnen ökologisch vergesellschaftet; sie führten ein uns fremdartiges Leben unter ganz spezifischen Umweltbedingungen (vgl. Stephan 1994, 5f.).
Es ist verständlich, daß diese exotisch anmutende Deutung als „Rieseneinzeller“, für die Seilacher allerdings gute Gründe anführt, heftig diskutiert wurde (vgl. z.B. Geyer 1998, 9). In neueren Arbeiten betont er immerhin eine Beziehung zu bekannten Einzellern, nämlich heute lebenden (!) Tiefsee-Riesenforaminiferen (Xenophyophoren) wie Stannophyllum (Seilacher 2000, 554-556; Abbildungen im Internet: http://19thcenturyscience.org/HMSC/HMSC-Reports/Zool-82/htm/doc.html). Demnach wären nicht alle Vendobionten (bald) nach dem Präkambrium ausgestorben, sondern teilweise – wie andere „lebende Fossilien“! – in die Tiefsee abgewandert (Seilacher 2003, 72f., 81; vgl. z.B. Ziegler 1998, 270f.; Kleesattel 2001, 133-150).
In einer neuen Arbeit kommen chinesische Paläontologen (Xiao et al. 2005) zu ähnlichen Resultaten wie Seilacher (vgl. Jahn 2005). Im Gegensatz zu flachmarinen Sanden, in denen sonst Ediacara-Organismen eingebettet sind, handelt es sich in der südchinesischen Dengying-Formation um Karbonate. Besonders wichtig ist, dass hier die Überreste der Vendobionten wegen der außergewöhnlichen Erhaltung besonders gut erforscht werden können. Sie sind bäumchenartig verzweigt (Abb. 1) und haben im Kalkstein dreidimensionale Hohlformen hinterlassen, die mit Kalzit gefüllt sind; das läßt räumliche Untersuchungen zu. Xiao et al. (2005, 10228, 10231) weichen aber besonders in Folgendem von Seilachers Interpretation ab: Bei den abgesteppten „Pneus“ der Dengying-Formation sind die Kammern, die der zentralen Körperachse fern (distal) liegen, nach außen offen; diese könnten daher nicht mit Zytoplasma gefüllt gewesen sein.
Man kann gespannt sein, wie sich nun die Gewichte in der Forschung verschieben und die Vendobionten-Interpretation der rätselhaften Ediacara-Fossilien weiterentwickelt wird.
MS
[Geyer G (1998) Die kambrische Explosion. Paläont. Z. 72, 7-30; Jahn A (2005) Alte Matratzen. Gut erhaltene Fossilien zeigen Baupläne der Ediacara-Fauna. spektrumdirekt. Internet: www.wissenschaft-online.de/abo/ticker/783223 (13.07.05); Junker R (2005) Die kambrische Explosion – entschärft? Stud. Int. J. 12, 38-39; Kleesattel W (2001) Die Welt der lebenden Fossilien. Darmstadt: Wiss. Buchges.; Seilacher A (1982) Vendozoa: Organismic construction in the Proterozoic biosphere. Lethaia 22, 229-239; Seilacher A (1992) Vendobionta als Alternative zu den Vielzellern. Mitt. hamb. zool. Mus. Inst. 89, 9-20, Hamburg; Seilacher A (2000) Leben im Präkambrium. Naturwiss. Rdsch. 53, 553-558; Seilacher A (2003) Der Garten von Ediacara und die kambrische Explosion. In: Hansch W (Hg) Katastrophen in der Erdgschichte. Museo 19, 70-81. Heilbronn; Stephan M (1994) Neuere Forschungen zur Lebewelt im Kambrium und Präkambrium. Stud. Int. J. 1, 4-11; Xiao S, Shen B, Zhou C, Xie G & Yuan X (2005) A uniquely preserved Ediacaran fossil whit direct evidence for a quilted bodyplan. Proc. Nat. Acad. Sc. 102, 10227-10232; Ziegler B (1998) Spezielle Paläontologie, Teil 3. Stuttgart: Schweizerbart]